Zurück Zurück 2CV Restaurierungen - Reparaturen - Vorderachse -
Achsschenkelbolzen wechseln - Maßzeichnungen Werkzeug MR.630-22/14
Übersicht gesamtes Werkzeug

Übersicht gesamtes Werkzeug



Teil 1 Oberer Halter

Teil 1 Oberer Halter



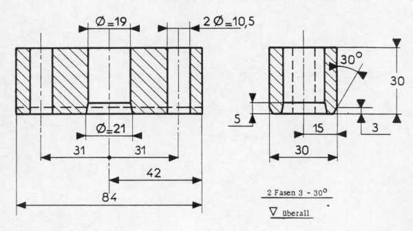
Teil 2 Unterer Halter

Teil 2 Unterer Halter



Teil 3 Druckschraube

Teil 3 Druckschraube



Teil 4 und 5 Spannstange

Teil 4 und 5 Spannstange



Teil 7 Druckstück

Teil 7 Druckstück



Tabelle

Tabelle

Zurück nach oben Zurück nach oben